-
Модель техники?Модель техники—ZX850-3, ZX870-5G
-
В наличии—да
-
Производитель?Бренд—OEM
-
Марка техники?Марка—Hitachi
-
Гарантия?Стандартаня гарантия—6 месяцев
-
Вес?Вес товара без упаковки—30 кг
по России за 24 часа
от производителей
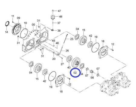
Шестерня редуктора гидронасоса Hitachi. Каталожный номер: 2052159
Эта шестерня – ключевой элемент в редукторе основных гидронасосов экскаваторов Hitachi ZX850-3 и ZX870-5G. От ее безупречной работы напрямую зависит производительность и бесперебойность всей гидравлической системы: мощность привода, плавность хода и эффективность копания.
Если эта деталь вышла из строя, обычный поиск по складам часто заканчивается разочарованием. Но у нас есть решение.
Даже если этой точной шестерни (2052159) нет в наличии на складе сегодня – мы оперативно приведем ее для вас под заказ. Мы работаем напрямую с проверенными поставщиками оригинальных компонентов и производителями качественных аналогов, что позволяет нам гарантированно найти нужную деталь.
Преимущества заказа у нас:
- Точно в модель: Гарантия полного соответствия техническим требованиям ваших Hitachi ZX850-3 или ZX870-5G.
- Ответственность: Мы берем на себя организацию логистики и контроль сроков поставки.
- Экономия времени: Вам не нужно обзванивать десятки складов – один звонок или сообщение нам решает вопрос.
- Прозрачность: Вы будете заранее знать сроки и условия поставки.
Если вы не нашли интересующий вас товар, или у вас остались вопросы, мы с радостью на них ответим.
Наши контакты:
8 (800) 600-20-84 Звонок по России бесплатный
+79222222924 Станислав
+79220249040 Андрей
- Электронная почта: rzap66@yandex.ru
- Адрес: РФ, г. Екатеринбург

